三相電機調速最好的搭檔
三相電機相較于單相電機擁有更低的溫升,更小的振動,更大的啟動轉矩。
單相電機與三相電機特點對比額定運轉時,單相電機以電阻法測定其繞組溫度上升值為70K以下,而三相電機的溫度上升值為50K以下。

更多"方便","易用"的功能
多種控制及運行方式,不需要繁瑣的設定,接線就能使用。
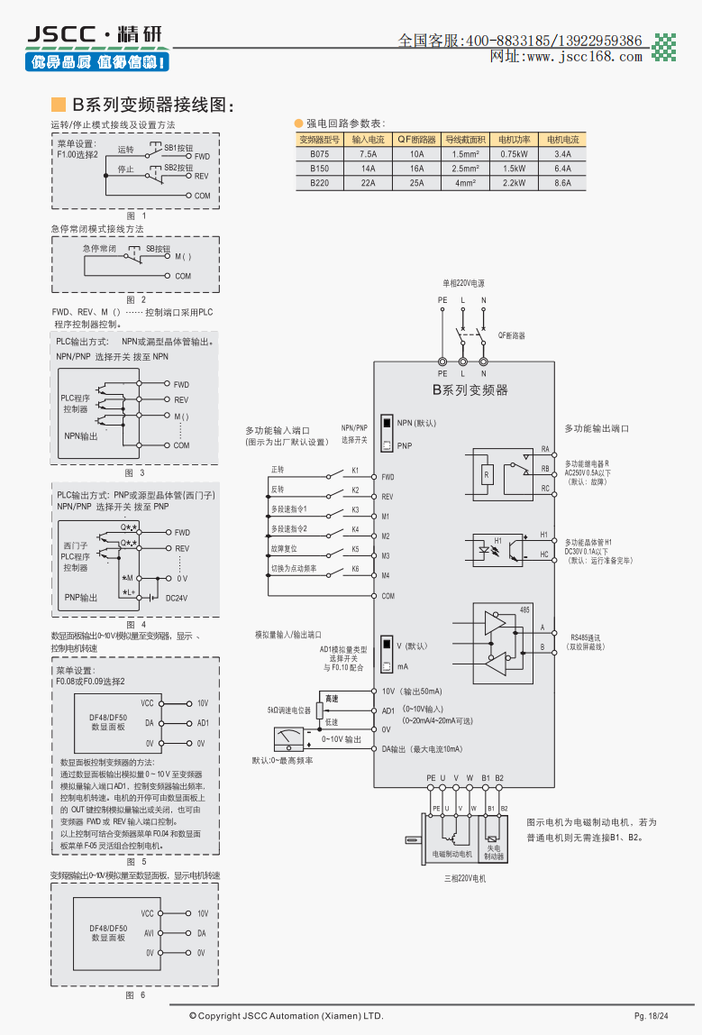
豐富功能,簡單操作,輕松設定· 0-10V模擬量輸入輸出 · 三段多段速 ·直流制動
· 智能V/F負載· 多功能輸出端口 ·PLC功能 ·擺頻功能
體積小巧,方便安裝尺寸僅為:113(W) x 131(L) x 139(H)

領先的IGBT 7代變頻驅動技術
降低變頻器工作時發出的高次諧波電壓值,大幅增加變頻器壽命。
領先技術采用最新技術的IGBT7代軟化的導通、關閉技術,即使在高開關速度下dv/dt均很低,降低變頻器工作時發出的高次諧波電壓值。高次諧波電壓越高,對周圍電氣設備干擾越大;高次諧波電壓加速電機絕緣老化,縮短電機使用壽命;高次諧波電壓增加電機對地漏電流,造成設備漏電。
超長壽命由于采用領先的IGBT 7代變頻驅動技術,變頻器內主要發熱源IGBT開關損耗和導通損耗較小,變頻器發熱小,同時配合整體鋁合金散熱結構,并將散熱器直接作為變頻器底座,與空氣直接接觸,有效散熱面積更大,實測變頻器內部溫度降低10℃以上,變頻器壽命大幅度提高。

符合多種國際認證的安全性
獲得多種國際認證,擁有CE,RoHS指令認證。
符合安全規格全部機型符合各種安全規格。
執行CE標志。
RoHS指令符合品符合RoHS指令,不含鉛、鎘等6種化學物質。